Обрезинивание конвейерных роликов
Гуммирование – это нанесение резины на металлические валы, детали и узлы. Это защищает их от воздействия инородных веществ и других классических причин износа и повреждений приводных элементов (вращение, попадание потеря смазки, коррозии).
В результате обрезинивания вы получаете универсальную поверхность с высокой износостойкостью, способностью к обратной деформации и заданной твердостью.
Такие детали выдерживают сильное механическое воздействие и множественные эластичные сжатия.
Наша компания выполняет гуммирование роликов в соответствии с требованиями клиента для поднятия эффективности роликового узла и увеличения срока его службы.
Преимущества применения ленточного конвейера
Преимущества ленточных конвейеров появляются если понадобится организовать быстрое, экономически и энергетически эффективное перемещение разных материалов или предметов в ограниченных пределах производственного участка, склада, логистического терминала либо даже горного карьера.
Главные положительные качества этого вида транспорта такие:
- большая скорость транспортировки;
- большая продуктивность, есть транспортеры со скорость до десяти метров/с и шириной ленты до 3 метров, они перевозят до 30 млн кг в час и используются на добывающих и обогатительных фирмах;
- возможность организации как непрерывной подачи, так и управляемой, и дозированной;
- небольшие затраты энергии на перемещение единицы полезной нагрузки;
- самая маленькая сложность транспортировки, отлаженные устройства работают без вмешательства человека;
- высокая устойчивость к отказам и надежность обуславливаются небольшим количеством двигающихся частей;
- возможность одолевать подъемы либо даже подымать грузы вертикально, при условиях использования транспортеров подобающей конструкции;
- наличие мобильных и телескопических моделей дает возможность быстро развернуть оборудование на удаленном объекте и организовать эффективную перевозку.
Как и любому виду оборудования, ленточным конвейерам свойствен и ряд определенных минусов:
- возрастание сопротивления и связанных с ними потерь энергии при удлинении ленты;
- ограничения на величину угла возвышения при перевозке сыпучих грузов (для плоской ленты — до 20°).
- зависимость эластичности материала ленты от температуры;
- необходимость в периодической регулировке для восстановления натяжения ленты после ее удлинения и провисания во время работы;
Эксплуатационные особенности, такие, как тяжёлые условия климата, контакт с враждебными средами и остальные могут значительно уменьшить служебный срок ленты и самого ленточного конвейера.
Если вы нашли погрешность, пожалуйста, выдилите фрагмент текста и нажмите Ctrl+Enter.
Размеры конвейерных роликов
Типоразмерный ряд конвейерных роликов зависит от ширины ленты, условий эксплуатации, а также от конструктивных особенностей деталей самих роликов. Так корпуса роликов конвейерных, изготовленные из толстостенной трубы, могут применяться в пыльных помещениях.
Изготавливаем конвейерные ролики по индивидуальным размерам:
Размер ролика | |||
| диаметр/длина | диаметр/длина | диаметр/длина | диаметр/длина |
| 76/200 | 89/160 | 102/200 | 127/245 |
| 76/250 | 89/180 | 102/250 | 127/280 |
| 76/310 | 89/200 | 102/310 | 127/310 |
| 76/380 | 89/230 | 102/380 | 127/380 |
| 76/500 | 89/250 | 102/465 | 127/420 |
| 76/600 | 89/280 | 102/500 | 127/420 |
| 76/750 | 89/310 | 102/530 | 127/560 |
| 76/900 | 89/355 | 102/600 | 127/650 |
| 76/1000 | 89/380 | 102/680 | 127/720 |
| 89/465 | 102/720 | 127/750 | |
| 89/560 | 102/750 | 127/950 | |
| 89/600 | 102/830 | 127/1150 | |
| 89/710 | 102/960 | 127/1300 | |
| 89/750 | 102/1120 | 127/1400 | |
| 89/900 | 102/1350 | 127/1600 | |
| 89/1300 | 102/1400 | 127/1800 | |
| 102/1450 |
Преимущества и недостатки
На протяжении длительного периода применялись исключительно ленточные варианты исполнения. Пластинчатые устройства характеризуются довольно большим количество преимуществ и недостатков. К преимуществам можно отнести следующее:
- Высокая степень приспособленности к транспортировке горячих, острокромочных, крупнокусковых и других грузов, которые могут стать причиной повреждения поверхности. Этот момент определил широкое распространение устройства в промышленности и многих других областях. Металлическая секционная лента выдерживает воздействие окружающей среды, при падении грунта или другого сыпучего грунта на поверхности не возникает дефектов.
- Применение металла позволяет проводить транспортировку груза при высоких и низких температурах. Именно этот момент позволил применять конвейеры для транспортировки горячих заготовок в машиностроительной и другой промышленности.
- Конструктивные особенности позволяют создавать пластинчатые конвейеры наклонного и другого типа. Большое распространение получили именно горизонтальные устройства, но могут устанавливаться и наклонные, которые позволяют поднимать груз на определенную высоту.
- Высокая степень производительности также относится к основным преимуществом пластинчатого конвейера. Она достигается за счет установки электрического двигателя, редуктора и некоторых других механизмов.
- Есть возможность использовать настил со специальными элементами крепления для транспортировки различных грузов. Примером можно назвать бортики, а также поперечные пластины.
- Можно проводить загрузку непосредственно из бункера, за счет чего повышается эффективность.
Есть и несколько существенных недостатков, которые также должны учитываться. Примером можно назвать следующее:
Применение металла при производстве основных элементов определяет то, что вес конструкции существенно повышается. Именно поэтому приходится проводить установку механизма на специальном основании, которое будет рассчитано на высокую нагрузку
Кроме этого, уделяется внимание фиксации основания. Еще важным моментом можно назвать сложность в изготовлении
Это также определяет то, что процедура обслуживания требует существенных денежных вложений
Некоторые детали нельзя найти в продаже, их изготовление проводится на заказ. Высокая стоимость ходовой части также связана с применение металла и других подобных материалов при изготовлении конструкции. Именно поэтому установка проводится в случае, когда требуются более высокие эксплуатационные характеристики. Невысокая скорость транспортировки. Это свойство одновременно можно назвать преимуществом и недостатком, так как существенно снижается показатель эффективности. Скорость перемещения снижается за счет снижения количества оборотов, для чего устанавливается редуктор. Он может снижать количество оборотов в несколько раз. Усложнение эксплуатации по причине установки большого количества шарнирных соединений. Подобные конструктивные элементы характеризуются относительно высокой сложностью. Слишком высокая нагрузка и эксплуатация без соответствующего обслуживания может привести к серьезным дефектам. За устройством нужно проводить постоянный уход и наблюдение, так как незначительные дефекты в течение длительного периода могут стать причиной выхода всего устройства из строя. Кроме этого, проводится периодическая проверка степени натяжения цепи, которая и отвечает за передачу усилия. Высокая сложность замены катков и других элементов. Именно поэтому обслуживание должен проводить исключительно специалист, который знает все особенности устройства. Из-за большой массы основных элементов возникает существенное сопротивление движению. Именно поэтому оказывается существенная нагрузка на электрический двигатель и промежуточный элемент.
При выборе пластинчатого конвейера следует уделять внимание всем преимуществам и недостаткам. Это связано с тем, что в некоторых случаях лучше провести установку ленточной конструкции. Кроме этого, конструкция для транспортировки характеризуется огромным количеством различных характеристик
Кроме этого, конструкция для транспортировки характеризуется огромным количеством различных характеристик.
Эксплуатационные преимущества рольгангов
Прежде всего это универсальность. Такими конвейерами оснащаются самые разные объекты:
- машиностроительные и металлургические заводы и комбинаты (литейные, кузнечно-прессовые, термо-обрубные, прокатные цеха);
- предприятия деревоперерабатывающей, пищевой, текстильной, обрабатывающей промышленности;
- складские терминалы;
- порты и другие погрузочные площадки.
Рольганги удобны для транспортировки самых разных грузов, отличающихся по форме, размеру и весу. На таких конвейерах можно перемещать литейные стержни и формы, комплектующие, трубы, бруски, арматуру и пр. К другим достоинствам этих устройств относятся:
- широкий выбор модификаций и вариантов исполнения, различающихся длиной, геометрией, количеством роликов, размерами и прочими характеристиками;
- компактность, путь перемещения до 30 м.
- умеренная производительность. Передвижной рольганг — оптимальный выбор для объектов, где достаточно перемещать 20–30 товаров в час;
- прочность конструкции. Для производства используются чёрные металлы либо нержавеющая сталь;
- простота обслуживания, большой межсервисный интервал.
Ролики конвейерные неразборные
Обечайка (корпус) ролика изготавливается из стальной трубы толщиной от 3 мм.
КПУ — Отличительной особенностью роликов нашего производства является исполнение корпуса подшипникового узла (КПУ) методом термодиффузионного формования из композитного материала. КПУ представляет собой цельнолитую деталь, в которую запрессован подшипник. Это позволяет исключить попадание абразивной пыли в подшипниковый узел и увеличивает ресурс работы ролика. Высокая защита от пыли достигается малым зазором в сопряжении вал — подшипниковый узел, удаленностью подшипника от запыленной зоны, а также применением закрытых подшипников. Ролики такого типа применяются в тяжелых условиях работы, так как в их конструкции нет стопорных колец, уплотнительных полимерных шайб и других мелких, имеющих тенденцию ломаться или изнашиваться, деталей.
Ось ролика — цельный полнотелый вал диаметром от 22 до 45 мм.
Принимаем заказы на токарные работы по чертежам заказчика. Работаем с НДС.
Изготовление роликов конвейерных является одним из направлений деятельности ООО «Кронос-К». Вы можете приобрести конвейерные ролики любого типа и размера. Наше предприятие предлагаем широкий ассортимент роликов для конвейеров, которые не потребуют дополнительного ухода и смазки в течении всего срока использования. Изготовление конвейерных роликов происходит строго по ГОСТам из высококачественных материалов, а потому мы заслуженно гордимся их надёжностью и повышенным ресурсом эксплуатации. Для облегчения и ускорения рабочего процесса, на промышленных предприятиях разных направлений, используют такие механизмы, как конвейеры. Они позволяют непрерывно транспортировать груз по территории предприятия, фабрики или завода на определенное расстояние. Таким образом, можно перемещать кусковые, штучные, а также сыпучие грузы. Своим малым сопротивлением вращению конвейерный ролик обязан отсутствию трущихся элементов. Для того чтобы закрепить ось, на одном из ее концов имеются лыски, а на раме — специальные пазы.
Установка конвейерных шарикоподшипниковых роликов осуществляется на рамах: сварных из стального проката или разборных из гнутых легких профилей. Гнутые профили обладают универсальными элементами и отверстиями, которые обеспечивают легкую стыковку секций, а также простую установку осей и регулировку по высоте.
Варианты выполнения хвостовика оси ролика
Ось ролика ленточного конвейера также изготавливается в различных вариантах исполнения. При рассмотрении стандартных роликов конвейерных следует учитывать следующее:
- Хвостовик оси воспринимает серьезную нагрузку. Именно поэтому при изготовлении применяется каленая сталь, которая характеризуется повышенной износостойкостью.
- Для обеспечения надежных эксплуатационных условий устанавливается конвейерный ролик прижимной. Чертежи хвостовика подобного изделия можно встретить в технической документации.
Выбор изделия проводится по самым различным признакам. Примером можно назвать тип применяемого материала при изготовлении основной и наружной части. Наиболее подходящий тип хвостовика подбирается в зависимости от конструктивных особенностей механизма.
https://youtube.com/watch?v=EtG5ew4JLyE
В заключение отметим, что конвейерная деталь производят разные компании
При выборе следует уделять внимание тому, чтобы на поверхности не было дефектов. Для этого проводится визуальный осмотр. В инструкции по эксплуатации механизма указывается то, какие изделия подходят больше других
В инструкции по эксплуатации механизма указывается то, какие изделия подходят больше других.
Размеры пластин
Классификация пластин также проводится по их размерам. Они варьируют в достаточно большом диапазоне. Среди особенностей отметим следующие моменты:
- Насыпной груз размещается в виде треугольника в случае использования полотна без бортов. Устойчивость достигается за счет существенного повышения жесткости основания.
- В качестве тягового элемента может применяться цепи самых различных конструкций. Их общее свойство заключается в повышенной прочности. При этом цепи характеризуются простотой установки, малым предварительным натяжением. Наибольшее распространение получили втулочные и роликовые варианты исполнения цепей, они считаются универсальным предложением. Есть и другие варианты исполнения, обладающие своими определенными свойствами.
Размер пластин имеет важное значение при наклонной установке и во многих других случаях
Доставка по России и СНГ
Стоимость от 2 000 Р
- Доставка по Нижнему Новгороду автотранспортом нашей компании;
- Ведущими транспортными компаниями по Нижегородской области, России и странам СНГ;
- Самовывоз продукции с нашего склада.
По вопросу приобретения конвейера с доставкой обращайтесь по телефону +7 831 515-98-41 или в офис компании по адресу в разделе «Контакты»
- О компании
- Конвейеры
- Ленточные конвейеры
- Конвейеры пластинчатые (цепные)
- Многоручьевые
- Накопительные
- Поворотные
- Прямые
- Однорядные
- Конвейеры с модульной лентой
- Роликовые конвейеры (рольганги)
- Сетчатые конвейеры
- Накопительные столы
- Системы динамического взвешивания (чиквейеры)
- Комплектующие
- Ленты конвейерные ПВХ, черные резинотканевые ленты
- Замки для конвейерных лент (устройства скрепления)
- Ролики конвейерные (стальные, ПВХ)
- Роликоопоры
- Тефлоновые ленты и сетки
- Мотор-редукторы
- Модульные ленты
- Стальные конвейерные сетки
- Шкафы управления и частотные преобразователи
- Пластинчатые цепи (ленты)
- Направляющие и компоненты
- Упаковочное оборудование
- Заклейщики гофрокоробов
- Паллетообмотчики (Паллетоупаковщики)
- Формирователи(формовщики) гофрокоробов
- Скачать опросный лист
- Скачать каталоги
- Контакты
- Конвейер ленточный
- Конвейер пластинчатый
- Рольганги
- Сетчатые ковейеры
- Конвейер c модульной лентой
- Накопительный стол
- Комплектующие
- Система динамического взвешивания
- Упаковочное оборудование
Менеджеры компании с радостью ответят на ваши вопросы, произведут расчет стоимости и подготовят индивидуальное коммерческое предложение.
Особенности конструкции
Популярность, которой пользуется рольганги, прежде всего, связана с особенностью конструкции. К ним можно отнести:
- Для выполнения основной задачи используется группа роликов, которые имеют ось.
- Все вращающиеся элементы закреплены на раме.
- Все ос неподвижные. Они служат основанием для подшипников, при помощи которых и осуществляется вращательное движение роликов.
- Часто можно встретить, когда рольганг имеет сварной тип устройства, который состоит из ролика, вращающегося в специальном подшипниковом узле.
- Для того чтобы рассматриваемое устройство стабильно работало, длина поверхности соприкосновения выбирается с учетом ширины или диаметра заготовок: рольганг должен иметь ролики больше.
- Расстояние между роликами должно быть несколько меньше показателя половины длины транспортируемого груза.
- В некоторых случаях рольганг используется для транспортировки ящиков, а не деталей.
- Рама создается с учетом веса перемещаемого груза.
Простота конструкции и ее относительно небольшая стоимость определяет популярность рассматриваемого устройства.
Методы испытаний
| Испытания | Ролик пластиковый | Ролик ПВХ | Стальной ролик |
| Огнестойкость под давлением | B | C | A |
| Испытание на долговечность | A | C | B |
| Динамическая балансировка | A | A | B |
| Устойчивость к влаге | A | A | D |
| Устойчивость к абразивному износу | B | C | B |
| Пыленепроницаемость | A | B | B |
| Энергосбережение | A | A | C |
| Устойчивость к низким температурам | B | D | B |
| Антистатичность | A | D | B |
| Устойчивость к кислоте | A | A | D |
| Устойчивость к щелочи | A | C | D |
| Химическая стойкость | B | D | B |
| Устойчивость к растрескиванию под действием напряжения окружающей среды | B | D | B |
| Устойчивость к облучению | B | C | B |
| Устойчивость к разрушению под воздействием озона | B | C | B |
| Бесшумность | A | A | D |
| Прочность на растяжение | A | B | C |
| Низкий коэффициент трения | A | B | D |
Шкала оценок:
Техническое описание
Ролик конвейерный представляет собой трубную обечайку внутри которой с помощью подшипниковых корпусов установлен вал. Ролики транспортерные применяются в разных сферах производства и исходя из условий эксплуатации их комплектующие могут быть выполнены из нержавеющей стали, горячекатаного металлопроката или полимерных материалов. Производство конвейерных роликов на современном оборудовании с ЧПУ позволяет максимально быстро, точно и качественно изготовить каждую деталь, что положительно сказывается на рабочем ресурсе изделия
Наибольшее внимание при изготовлении роликов конвейерных уделяется корпусам подшипников, исходя из учета испытываемых нагрузок они могут быть выполнены из высокопрочных композитных материалов
илилистового металла подверженного глубокой вытяжке. Монтаж корпусов подшипников в обечайке производится несколькими способами, это может быть вальцованное или сварное соединение, на малых диаметрах применяется фиксация стопорными кольцами. Подшипники закрываются лабиринтными уплотнениями исключающими попадание пыли и грязи, по желанию заказчика ролик конвейерный может комплектоваться подшипниками зарубежных производителей, которые также положительно влияют на эксплуатационные характеристики, посмотреть параметры и подобрать необходимые подшипникиможно здесь .
и 3.
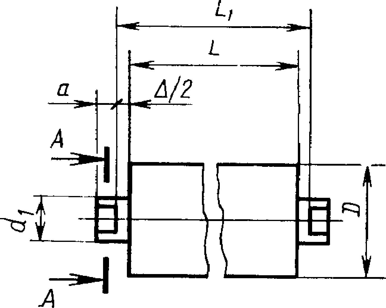
Ролики Г, Ф, А, Н, НФ Ролики НЛ, НФЛ


Ролик НД
Ролик НДЛ



Примечание. Чертеж не устанавливает конструкцию роликов.
5л
V
!?■
sox
ssx
Suft
63 | 180 | 200 | 250 | 315 | 380 (400) | 500 | 600 | 750 | 950 | т* |
76; 89 | 160 | 200 | 250 | 315 | 380 | 465 | 500 | 600 | 670 | 750 |
182; 11 | 160 | 200 (195) | 250 (245) | 315 (310) | 380 | 465 | 500 | 530 | 600 | 670 |
127; 133 | 250 | 315 (310) | 380 | 465 (460) | 530 | 600 | 670 | 750 | 900 | 950 |
152 159 11 178 | 315 (310) | 380 | 465 (460) | 530 | 600 | 670 | 750 (740) | 800 | 900 | 950 |
194 | 315 | 380 | 465 | 530 | 600 | 670 | 750 (740) | 800 | 900 | 950 |
219 | 315 | 380 | 465 | 530 | 600 | 670 | 750 | 800 | 900 | 950 |
245 | 380 | 465 | 530 | 600 | 670 | 750 | 800 | 900 | 1000 | 1150 |
950
750
,250
1150
900
1150
1150
1150
1150
1400
950
1400
1250
1250
1250
1150
1400
1400
1400
1400
(1500)
1000
(1500)
1600
(1500)
1600
18002000
20002200 2400
20002200
2400
ч
H
к
N
0)
a
i
Примечания:
1. Длину роликов, указанную в скобках, при новом проектировании не применять,
2, Для роликов Ф, ФЛ. НФ, НФЛ диаметр должен быть увеличен на двойную толщину футеровки
Таблица 3
мм
Исполнение концов осей | Диаметр ролика О | Размеры концов осей | ||
rfi | s-o.i -0,3 | а | ||
Со СКВОЗНОЙ ЛЫСКОЙ | 63 | (12); 20 | (8); (11); (12); 14 | (8); 9; (10); 15 |
76; 89 | (15); 20 | (8); 9; (10); 12; 16; 20 | ||
102; 108 | (17); 20; 25 | (12); 14; 18 | ||
127; 133 | 20; 25; 30 | (13); 14; (16); 18; (20); 22; 32 | 9; (Ю); (11); 12; 15; 20 | |
152; 159; 168»; 178 | 25; 30; 40 | |||
194 | 40; 45 | |||
219 | 50 | 18; 22; 32 | 15; 20 | |
245 | 60 | 22; 32 | ||
С глухой лыской | 102; 108 | 20; 25 | 14; 1в | 9; (10); 12; 15 |
127; 133 | 20; 25; 30 | (13); 14; 18 | ||
152; 159; 168; 178 | 25; 30; 40 | (16); 18; 22 | (Ю); 12; 15; 20 | |
194 | 40 | (18); 20; 22; 32 | ||
219 | 50 | 18; 22; 32 | 15; 20 | |
245 | 60 |
Примечание. Размеры, приведенные в скобках, не предпочтительны.
Пример условного обозначения верхнего гладкого ролика со сквозной лыской диаметром D = 89 мм, длиной £.=315 мм, с размерами лыски а= 10 мм и 5=14 мм:
Ролик Г-89Х315—10X14 ГОСТ 22646—77 То же, нижнего ролика дискового с глухой лыской диаметром D=219 мм, длиной L=2000 мм, размерами лыски а = 20 мм, 5=22 мм:
Ролик НДЛ-219Х2000—20 X22 ГОСТ 22646—77 (Измененная редакция, Изм. № 1, 2, 4).
4. Размер между лысками Lx на осях роликов должен быть равен
Lx—L-j-Л,
i\zte А — не более 8 мм.
Примечание. Для роликов, изготовляемых по рабочим чертежам, разработанным до 01.01.85 и для роликов, изготовляемых для запчастей, значение А принимают по рабочим чертежам, утвержденным в установленном порядке.
(Измененная редакция, Изм. № 3).
5. Предельные отклонения на размер L\ устанавливаются следующие:
минус 1 мм — для Li^750 мм; минус 2 мм — для Li>750 мм.
6. Ролики диаметром 63, 89 мм допускается изготовлять с резьбовым исполнением кондов осей.
(Измененная редакция, Изм. № 3).
7—9. (Исключены, Изм. № 3).
10. (Исключен, Изм. № 4).
ПРИЛОЖЕНИЕ
Справочное
Информационные данные о соответствии ГОСТ 22646—77
и СТ СЭВ 1334—78
Типы и исполнения роликов | Типы и исполнения роликов | ||
по ГОСТ 22646-77 | по СТ СЭВ 1334-78 | по ГОСТ 22646-77 | по СТ СЭВ 1334-78 |
Г | Тип 1, исполнение 1* | н | Тип 1, исполнение 1** |
гл | Тип 1, исполнение 2 | НФ | Тип 2 исполнение 1** |
ф | Тип 2, исполнение 1* | нд | Тип 3, исполнение 1 |
ФЛ | Тип 2, исполнение 2 | нл | Тип 1, исполнение 2 |
А | Тип 4, исполнение 1 | НФЛ | Тип 2, исполнение 2 |
АЛ | Тип 4, исполнение 2 | ндл | Тип 3, исполнение 2 |
* Верхние ролики.
** Нижние ролики.
(Измененная редакция, Изм. № 1, 3).
ИНФОРМАЦИОННЫЕ ДАННЫЕ
1. РАЗРАБОТАН И ВНЕСЕН Министерством тяжелого, энергетического и транспортного машиностроения
ИСПОЛНИТЕЛИ
Н. А. Гаврилин, С. И. Модин, В. В. Дюбенко, А. В. Александрова, Л. В. Сергиевская
2. УТВЕРЖДЕН И ВВЕДЕН В ДЕЙСТВИЕ Постановлением Государственного комитета стандартов Совета Министров СССР от 28.07.77 № 1866
3. Срок проверки — 1992 г., периодичность — 5 лет
4. Стандарт соответствует СТ СЭВ 1334—78 в части типов и исполнений
Стандарт соответствует международному стандарту И СО 1537—75.
5. Введен впервые
6. ССЫЛОЧНЫЕ НОРМАТИВНО-ТЕХНИЧЕСКИЕ ДОКУМЕН-
ты | |
Обозначение НТД, на который дана ссылка | Номер пункта |
ГОСТ 22644—77 | I |
7. Переиздание (август 1988 г.) с Изменениями № 1, 2, 3, 4, утвержденными в январе 1980 г., марте 1982 г., марте 1985 г., феврале 1988 г. (ИУС 3—80, 7—82, 6—85, 5—88)
8. Проверен в 1988 г. Срок действия продлен до 01.01.94 (Постановление Госстандарта СССР от 17.02.88 № 269)
Редактор М. А. Глазунова Технический редактор Л. А. Никитина Корректор Я. И. Гаврищук
Сдано в наб. 20.06.88 Подп. в печ. 19.10.88 1.26 уел. печ. л. 1,25 уел. кр.-отт. 1,01 уч.-изд. л.
Тираж 6000 Цена 5 коп.
Ордена «Знак Почета» Издательство стандартов, 123840» Москва, ГСП,
Новопресненский пер., 3.
Калужская типография стандартов, ул. Московская, 256. Зак. 1400
Натяжные станции
Транспортировка пластин осуществляется за счет цепи. При этом соединение проводится при применении специальных деталей.

Натяжная станция состоит из следующих элементов:
- Рамы.
- Вала.
- Приводной звездочки.
- Подшипника.
Передача усилия осуществляется за счет зацепления. Принцип работы следующий:
Вращение создается за счет электрического двигателя. Он характеризуется довольно большим количеством различных особенностей, к примеру, мощностью и количеством оборотов.
В качестве промежуточного элемента устанавливается редуктор. Он снижает количество оборотов и существенно повышает тягу. В некоторых случаях проводится установка дополнительной ременной или цепной передачи
Ременная позволяет исключить вероятность превышения допустимого порога передаваемого усилия.
При настройке натяжной станции уделяется внимание тому, чтобы цепь в местах перегиба проходила с наименьшим натяжением. Этот момент позволяет снизить степень износа изделия.
Если трасса характеризуется высокой сложностью, то место установки привода выбирается в соответствии с проведенными расчетами.
Слишком большая протяженность трассы пластинчатого конвейера определяет то, что избежать сильное натяжение цепи практически невозможно
Именно поэтому проводится установка нескольких двигателей, которые позволяют исключить вероятность разрыва изделия.

В большинстве случаев на пластинчатых конвейерах промышленного предназначения проводится установка привода в головной части конструкции. При этом плавное регулирование скорости осуществляется за счет установки специального вариатора. Обратное движение пластин исключается за счет установки специального тормоза.
Ролики конвейерные
- Главная
- → Каталог
- → Комплектующие
- → Ролики конвейерные
Опросный лист на ролики конвейерные гладкие Опросный лист на ролики дефлекторные Опросный лист на ролики конвейерные обрезиненные
- Гладкие
- Амортизирующие
- Очищающие со стальной навивкой
- Дефлекторные
Предприятие выпускает серийно ролики конвейерные в сварном варианте с внутренней установкой подшипника. Ролики изготавливаются в исполнении У, категории 5 по ГОСТ 15150 для работы:
- при температуре окружающей среды от — 35 до + 45 °С;
- при относительной влажности воздуха при температуре 25°С – не более 98%;
- в атмосфере типа I при запыленности воздуха 200 мг/м3 .
- допустимый момент сопротивления вращению — по ГОСТ Р 51984
- ресурс 90% — по ГОСТ Р 51984
Ролики изготавливаются в двух исполнениях:
- Средняя серия – до 100 кГс/м. пог.;
- Тяжелая серия – до 250 кГс/м. пог.;
Принципиальная конструкция ролика конвейерного

Ролики имеют конструкцию с автономным внутренним объемом, не зависящим от условий внешней среды и места эксплуатации. Корпус подшипникового узла штампованный из стального листа, по сравнению с литым и точеным корпусом имеет меньший вес, что значительно уменьшает силу сопротивления вращению при запуске конвейера и снижает при этом энергозатраты, а также увеличивает ресурс использования подшипникового узла. Для запрессовки в ролик используются подшипники закрытого и герметичного исполнения достойного качества, которые проходят строгий контроль на специальных стендах при приемке и постоянный мониторинг изменений на различных сроках эксплуатации.
Соединение обечайки ролика и корпуса в гладко-сварном исполнении. Оригинальная технология сборки ролика позволяет Потребителю производить замену подшипника, продлевая на дополнительный срок работу и минимизируя расходы предприятия на обслуживание конвейерного оборудования. Ролики по заявке Заказчика могут грунтоваться (для длительного хранения на складе) и покрываться специальными красками.
Таблица серийно выпускаемых роликов конвейерных
Варианты исполнения оси ролика для крепления в роликоопоре

Таблица соответствия длины обечайки нижнего ролика ширине ленты

Ролики конвейерные обрезиненные (различного назначения)
- Амортизирующие
- Очищающие
- Поддерживающие для ленты с ребрами
Амортизирующие ролики
Ролики устанавливаются в местах загрузки (или по всей длине) конвейера. Резиновые кольца амортизируют удары при падении тяжелого и твердого груза крупной кусковатости, что сохраняет подшипники от преждевременного выхода из строя и защищают транспортерную ленту от повреждений.
Амортизирующий слой исполняется в двух модификациях:
1.Набор колец, установленных плотно на ролике, из резины типа Protector, которые подбираются по условиям использования роликов и могут быть различной модификации (тип резины, твердость, диаметр, ширина и т.д.). По особому требованию Заказчика изготавливается резина особых характеристик.
2.Слой цельно-наваренной резины (методом горячей вулканизации) расчетных характеристик.
Очищающие обрезиненные ролики Препятствуют налипанию материала на ролик, что продлевает срок службы роликов, снижает энергозатраты, сохраняет ленту дольше в рабочем состоянии.

Поддерживающие для ленты с ребрами Устанавливаются для поддержки обратной ветви ленты конвейера с беспрепятственным прохождением ребер ленты без по по всей трассе конвейера.
Ролики конвейерные очищающие со стальной навивкой
Ролики конвейерные дефлекторные
- Для желобчатой ленты
- Для плоской ленты
Ролики устанавливаются через 10-15 м конвейера для предотвращения бокового схода ленты.
Для верхней ветви ленты
Для нижней ветви ленты
Защита подшипникого узла
| группа защиты | тип подшипника | диаметр ролика D, мм | |
| 02 | 80-205 | 89, 102, 108, 127 | |
| 80-306 | 127, 133, 152, 159 | ||
| 80-307 | 152, 159 | ||
| 80-310 | 194 | ||
| 03 | 80-205 | 89, 102, 108, 127 | |
| 80-306 | 127, 133, 152, 159 | ||
| 80-307 | 152, 159 | ||
| 04 | 80-406 | 159 |
02 – 1 группа защиты подшипникового узла ролика Ø 152, 159 мм – не менее 35 тыс. часов (подшипник 307);
Ø 108, 114, 127, 133 мм – не менее 30 тыс. часов (подшипник 306); а) внутреннего уплотнительного кольца;
б) подшипника с повышенной статической и динамической грузоподъемностью;
в) тройного лабиринтного уплотнения;
г) передней защитной крышки и защитного кольца, конструктивно создающих дополнительный лабиринт и вращающуюся самоочищающуюся камеру.03 группа защиты подшипникового узла ролика Ø 152, 159 мм – не менее 45 тыс. часов (подшипник 307);а) внутреннего уплотнительного кольца;
б) тройного лабиринтного уплотнения;
в) наружного уплотнительного кольца;
г) вращающейся самоочищающейся камеры;
д) полиамидной защитной крышки с резиновым кольцом.Пример условного обозначения конвейерных роликовРолик конвейерный 02-127/205х360 ТУ 3149-004-00225526-2004заполнить заявку на конвейерные ролики
Ленточные конвейеры: ролики и роликоопоры
- Роликоопоры нижние прямые. Их функция заключается в поддержании нижней ветви ленты.
- Роликоопоры верхние прямые. Они необходимы для нормального функционирования верхней рабочей ветви ленты. Их шаг идентичен шагу желобчатых роликоопор.
- Роликоопоры желобчатые. Роликоопоры верхние желобчатые не имеют футеровки, поэтому считаются рядовыми.
- Роликоопоры дефлекторные нижние для плоской ленты. Они применяются на секциях средней части конвейера с шагом от 10 до15 м.
В зависимости от допустимых нагрузок, ролики могут иметь различные типоразмеры для одной и той же ширины ленты. Соответственно выбор диаметра роликов напрямую связан со степенью нагрузки на ленту. При этом все желобчатые роликоопоры имеют определенный угол наклона. Он может быть 30, 20 и 10 градусов.
Причины сделать заказ у нас
Наша компания реализует продукцию собственного производства изготовленную с соблюдением всех стандартов и с поэтапным контролем качества. Поэтому в соответствии изделий актуальным нормам заказчик может быть уверен. Элементы получают устойчивость к высокой запыленности и повышенной влажности. Дополнительно могут комплектоваться резиновыми манжетам, усиливающими защиту от внешних факторов. Рассчитаны на работу в температурном диапазоне от — 40 до +40 С.
Мы готовы подробнее рассказать о параметрах и особенностях тех комплектующих, а также назвать стоимость с учетом тех объемов, которые интересуют клиента. Уточнить эту и прочую информацию (о наличии товара, сроках поставок и пр.) можно у наших специалистов в режиме телефонного звонка. Готовы доставить партию изделий в Ростов-на-Дону, Калининград, Выборг, Екатеринбург, Краснодар, Нижний Новгород, Тюмень, Симферополь, Новосибирск, Красноярск, Воронеж, Мурманск, Архангельск, Свердловск, Нижний Тагил, Казань.
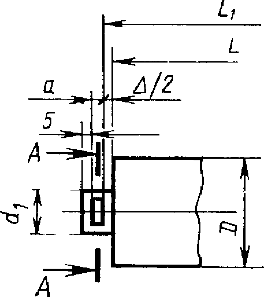
Ролик НДЛ
| Ролик НДЛ | |
Примечание. Чертеж не устанавливает конструкцию роликов.
Таблица 2
| мм | |||||||||||||||||||
| Номинальный диаметр ролика | Длина ролика | ||||||||||||||||||
| 63 | 160 | 200 | 250 | 315 | 380 (400) | 500 | 600 | 750 | 950 | — | — | — | — | — | — | — | — | — | — |
| 76; 89 | 160 | 200 | 250 | 315 | 380 | 465 | 500 | 600 | 670 | 750 | 950 | 1150 | 1400 | 1600 | — | — | — | — | — |
| 102; 108 | 160 | 200 (195) | 250 (245) | 315 (310) | 380 | 465 | 500 | 530 | 600 | 670 | 750 | 900 | 950 | 1150 | 1400 | 1600 | 1800 | 2000 | — |
| 127; 133 | 250 | 315 (310) | 380 | 465 (460) | 530 | 600 | 670 | 750 | 900 | 950 | 1000 | 1150 | 1400 | 1600 | 1800 | 2000 | 2200 | — | — |
| 152; 159; 168; 178 | 315 (310) | 380 | 465 (460) | 530 | 600 | 670 | 750 (740) | 800 | 900 | 950 | 1000 | 1150 | 1250 | 1400 | 1600 (1500) | 1800 | 2000 | 2200 | 2400 |
| 194 | 315 | 380 | 465 | 530 | 600 | 670 | 750 (740) | 800 | 900 | 950 | 1000 | 1150 | 1250 | 1400 | 1600 (1500) | 1800 | 2000 | 2200 | 2400 |
| 219 | 315 | 380 | 465 | 530 | 600 | 670 | 750 | 800 | 900 | 950 | 1000 | 1150 | 1250 | 1400 | 1600 (1500) | 1800 | 2000 | 2200 | 2400 |
| 245 | 380 | 465 | 530 | 600 | 670 | 750 | 800 | 900 | 1000 | 1150 | 1250 | 1400 | 1600 | 1800 | 2000 | 2200 | 2400 | — | — |
Примечания:
1. Длину роликов, указанную в скобках, при новом проектировании не применять.
2. Для роликов Ф, ФЛ, НФ, НФЛ диаметр должен быть увеличен на двойную толщину футеровки.
Таблица 3
| мм | ||||
| Исполнение концов осей | Диаметр ролика | Размеры концов осей | ||
| Со сквозной лыской | 63 | (12); 20 | (8); (11); (12); 14 | (8); 9; (10); 15 |
| 76; 89 | (15); 20 | (8); 9; (10); 12; 15; 20 | ||
| 102; 108 | (17); 20; 25 | (12); 14; 18 | ||
| 127; 133 | 20; 25; 30 | (13); 14; (16); 18; (20); 22; 32 | 9; (10); (11); 12; 15; 20 | |
| 152; 159; 168; 178 | 25; 30; 40 | |||
| 194 | 40; 45 | |||
| 219 | 50 | 18; 22; 32 | 15; 20 | |
| 245 | 60 | 22; 32 | ||
| С глухой лыской | 102; 108 | 20; 25 | 14; 18 | 9; (10); 12; 15 |
| 127; 133 | 20; 25; 30 | (13); 14; 18 | ||
| 152; 159; 168; 178 | 25; 30; 40 | (16); 18; 22 | (10); 12; 15; 20 | |
| 194 | 40 | (18); 20; 22; 32 | ||
| 219 | 50 | 18; 22; 32 | 15; 20 | |
| 245 | 60 | |||
| Примечание. Размеры, приведенные в скобках, не предпочтительны. |
Пример условного обозначения верхнего гладкого ролика со сквозной лыской диаметром мм, длиной мм, с размерами лыски мм и мм:
Ролик Г-89х315-10х14ГОСТ 22646-77 То же, нижнего ролика дискового с глухой лыской диаметром мм, длиной мм, размерами лыски мм, мм:
Ролик НДЛ-219х2000-20х22ГОСТ 22646-77 (Измененная редакция, Изм. N 1, 2, 4).
4. Размер между лысками на осях роликов должен быть равен
,
где — не более 8 мм.
Примечание. Для роликов, изготовляемых по рабочим чертежам, разработанным до 01.01.85 и для роликов, изготовляемых для запчастей, значение принимают по рабочим чертежам, утвержденным в установленном порядке. (Измененная редакция, Изм. N 3).
5. Предельные отклонения на размер устанавливаются следующие:
минус 1 мм — для мм;
минус 2 мм — для мм.
6. Ролики диаметром 63, 89 мм допускается изготовлять с резьбовым исполнением концов осей. (Измененная редакция, Изм. N 3).
7-9. (Исключены, Изм. N 3).
10. (Исключен, Изм. N 4).














































