Абразивные адаптеры для ручного электроинструмента
Конструктивно представляет собой пластиковую насадку для дрели или шлифмашинки с установленным на ней металлическим шаблоном. В центре насадки расположено круглое отверстие для установки абразивных заточных элементов.

Сама насадка одевается на корпус дрели или шуруповерта, а заточной элемент фиксируется в его патроне. Наличие транспортирной шкалы на корпусе адаптера и позволяет выбрать оптимальный угол заточки звеньев.
К преимуществам такого инструмента можно отнести:
- Высокую скорость выполнения работ;
- Возможность точной настройки угла заточки;
- Унификацию адаптера с любой дрелью;
- Простоту использования;
- Небольшую стоимость.
Недостатком инструмента является быстрый износ абразивных насадок, входящих в комплект поставки. Для работы такого станка требуется наличие в арсенале пользователя дрели или шуруповерта, что приводит к дополнительным затратам. Кроме того, его применение возможно только при подключении к бытовой сети энергоснабжения, что не всегда бывает удобно.
Купить насадку для шуруповерта на Aliexpress
Набор насадок для заточки
Для изготовления насадок используется высокопрочный абразивный материал с напылением из синтетических алмазов, скрепленных прочным высокотемпературным клеем. Применение такого покрытия позволяет добиться точной и быстрой обработки режущей поверхности звеньев пильной цепи.

Каждая насадка имеет различный диаметр абразивной части, что позволяет использовать их для заточки цепей с любым шагом звена.
Хвостовик насадок изготовлен из металла. Его длина и диаметр позволяют надежно закрепить его в патроне дрели или шуруповерта.
Купить насадки для заточки на Aliexpress
Обзор комплекта и принцип работы
Устанавливая такое устройство, бензопила получает сходу две дополнительные функции. газовый резак и угловая шлифовальная машина. Это оказывается нужным в критериях, когда впрямую подключить обыденную угловую шлифовальную машину к источнику электронного напряжения тяжело, если не нереально.
На приводном валу зубчатого колеса приводной цепной пилы установлен шкив, который с помощью ременного привода кинематически соединен с осью пилы, при этом скорость вращения основного вала не изменяется. Для установления самой насадки употребляются шпильки, которые закрепляют пристальное ленту бензопилы. В промышленных конструкциях рассмотренных форсунок имеются отверстия, размер и размещение которых соответствует характеристикам бензопилы определенного производителя. Размер пилы определяет также больший поперечник пилы, который можно установить.
Насадка к шлифовальной машины до бензопилы включает:
- Шариковый подшипник с глубочайшим канавкой с пылевым покрытием.
- ведомый шкив.
- клиновой ремень.
- Оправка, к которой крепится отрезное колесо (рекомендуется менее 100 50 × 20 два мм).
- Дисковый гаечный ключ и две шпильки.
Насадка для болгарской бензопилы оснащена специальной крепежной канавкой, с помощью которой она крепится к основному инструмента. Используется лицевая планка и гайка с левой нитью.
Наличие насадки позволяет использовать бензопилу для резки камня, стали, строй блоков и других предметов, размеры которых позволяют использовать диск с определенным значением поперечника. Поперечник, в свою очередь, находится в зависимости от марки бензопилы. Для этих целей идеальнее всего подходят пилы Stihl из спектра Stihl-180 к Stihl-250. Это разъясняется особенностями включения бензопил Stihl: поначалу при включении центробежной муфты количество оборотов коленчатого вала составляет около четыре тыщи 500 мин 1: конкретно при этой угловой скорости шпинделя работает более размеренно. Тогда скорость можно прирастить до 7000. Восемь тыщ мин. 1.
READ Как Болгаркой Резать Плитку
Производитель угловых шлифовальных станков для бензопил рекомендует использовать не более 75% от номинальной мощности основного инструмента, не работать без защитного кожуха и не использовать колеса для работ по резке и шлифовки, допустимая скорость вращения которых меньше десять 000 минут. Наличие роликового подшипника, который позволяет производить значимые осевые нагрузки, исключает перекос пилы и заклинивания насадки при долговременной работе.
Преимущества сменных насадок
В первом случае имеет место существенная экономия средств на приобретении набора бытовых инструментов разного назначения.
- Цена нескольких насадок в 2-3 раза меньше стоимости стандартного комплекта. По функционалу многие фирменные модели не уступают узкоспециализированным бытовым аналогам.
- Сменные насадки для бензопильной техники занимают меньше места, оперативная замена штатной пильной шины любым сменным оборудованием при наличии навыков и соответствующего инструмента производится на протяжении нескольких минут.
- Применение насадок повышает окупаемость бензопилы в несколько раз. Инструмент, который чаще всего применяется для заготовки топливной древесины, может задействоваться для решения многих хозяйственно-бытовых и строительных проблем.
Особенности эксплуатации самодельного кородера
Чтобы самоделка прослужила как можно дольше, ее нужно правильно использовать и обслуживать.
Для этого оператору необходимо:
- постоянно следить за количеством и состоянием смазки внутри муфты сцепления – без нее кородер будет регулярно перегреваться;
- своевременно чистить рабочий орган насадки от опилок и частиц коры;
- при образовании трещин и заусенцев на поверхности цилиндрической головки, ее внешнюю поверхность необходимо тщательно шлифовать.

Хранить самодельный кородер лучше всего на полке в теплом сухом помещении. Это обеспечит защиту приспособления от ржавчины и воздействия химических веществ.
Мотокультиватор, снегоуборщик, ледобур и буроям своими руками
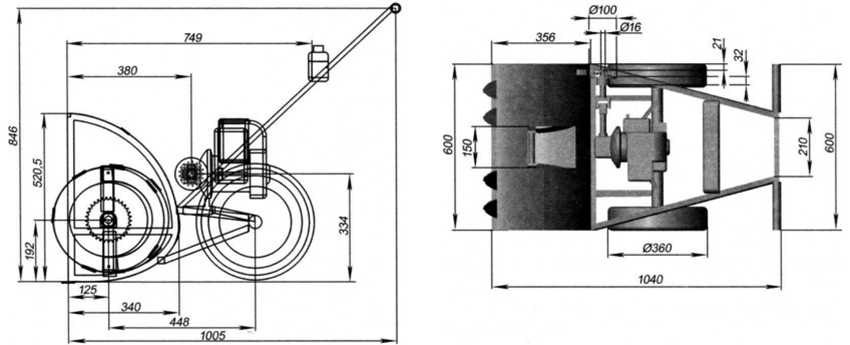
Мотор из бензопилы отлично подойдет и для создания мотокультиватора, предназначенного для вспашки целины (для легких грунтов). Для работы с плотными и влажными почвами мощности и крутящего момента двигателя скорее всего не хватит, а вот для взрыхления поверхностного слоя и удаления оставшихся в земле корней бурьянов культиватора из бензопилы будет достаточно. Главной деталью устройства является вращающаяся фреза, за счет которой и происходит передвижение техники по участку.
Чертеж снегоуборщика выполненного своими руками с применением бензопилы.
Если в культиваторе заменить вал с лемехами на шнек, а также оснастить конструкцию заборным устройством и трубой для откидывания снега, культиватор превращается в снегоуборочную машину. Мотора от любой пилы мощностью 3-5 лошадиных сил будет более чем достаточно для уборки рыхлого снега на участке
Важно только выполнить удобный шнековый механизм. Для этого чаще всего применяются лопасти, изготовленные из толстой резины. В качестве заборного устройства подойдут детали из оцинкованной стали
Выброс снега легко осуществить, установив пластмассовую трубу большого диаметра
В качестве заборного устройства подойдут детали из оцинкованной стали. Выброс снега легко осуществить, установив пластмассовую трубу большого диаметра.
Бурить лед или промерзшую землю ручным инструментом – довольно долгое и физически сложное занятие. Создание мотобура своими руками значительно упростит выполнение этой задачи. В этом случае, помимо мотора, необходимо иметь редуктор, регулирующий количество оборотов в минуту, потому как такого сильного вращения, как у бензопилы, устройству не требуется.
На заметку! Если не имеется достаточного количества знаний относительно работы редуктора, можно обратиться за помощью к инженеру, который поможет правильно выбрать нужный механизм. Необходимый тип прибора подбирается в зависимости от характеристик мотора.
Для создания мото- или ледобура своими руками, первое, что потребуется сделать, – выполнить надежный корпус, представляющий собой усеченную пирамиду, состоящую из двух прямоугольников различных размеров. Понадобятся болгарка, сварочный аппарат и металлические трубы. Именно внутри этой рамы и будет устанавливаться редуктор, соответственно, габариты корпуса напрямую будут зависеть от размеров редуктора.
Буроям из бензопилы станет незаменимым помощников в хозяйстве.
Для надежности специалисты рекомендуют в качестве шнека взять деталь от хорошего мотобура, выполненную из прочной стали, потому как низкокачественный материал не выдержит больших нагрузок. Другой важный вопрос – надежное крепление бура, которое можно осуществить при помощи обыкновенной трубы, зафиксированной с двух сторон шпонками или шпильками. Такой способ крепления позволит менять буры или использовать другие приспособления для работы.
Насадки и приспособления для бензопилы
Бензопила — феноменальное по своим возможностям устройство. Вряд ли найдется какой-то другой инструмент, который может соперничать с ней по широте использования. Бензопилы предназначены в первую очередь для пиления древесины, однако только этим их применение не ограничивается. Они широко используются в качестве универсального привода для устройств самого различного назначения. С помощью бензопил режут металл и камень, бурят скважины, качают воду, вытаскивают застрявший транспорт, плавают и т.п. Потенциальные возможности бензопил реализуются с помощью различных насадок и приспособлений. Такому широкому спектру выполняемых бензопилами работ способствует несколько факторов. Прежде всего, это наличие мощного (по отношению к своей массе), компактного, надежного и неприхотливого бензинового двигателя, способного работать в самых тяжелых условиях. Мембранный тип карбюратора и герметичная система подачи топлива, позволяют пиле работать в разных положениях, исключая разве что полную перевернутость. Удачная конструкция центробежной муфты сцепления надежно предохраняет системы и узлы бензопилы от перегрузок и поломок. Немаловажна и простота отбора мощности; к выходному валу инструмента легко подсоединить любое устройство. И, наконец, к достоинствам бензопилы относится автономность, позволяющая использовать ее в любом месте.
Однако не стоит забывать, что любительские бензопилы не предназначены для работы весь день в интенсивном режиме.
Насадка-бензорез
Одной из самых популярных, пожалуй, является насадка, превращающая бензопилу в бензорез.
Бензопила с насадкой-бензорезом
Насадка-бензорез для бензопилы
Бензорез из бензопилы
Главным ее узлом является подшипниковый узел с валом, на одном конце которого установлен ведомый шкив, приводимый во вращение клиновым ремнем, на другом — оправка для закрепления отрезных кругов. В зависимости от марки последних, бензорез может резать металл, камень, кирпич или плитку. Концевая часть насадки выполнена с пазом для крепления ее к пиле.
Дебаркеры
Очистить бревно от коры, сучьев и наростов, выбрать в нем продольный или поперечный паз, вырезать чашки в бревнах при строительстве деревянных срубов, придать округлой поверхности плоскостность и многие другие операции можно выполнить с помощью насадок, называемых дебаркерами. По конструкции дебаркеры подразделяют на барабанные и дисковые. Первые служат в основном для удаления коры с бревен (окариватели), дисковыми вырезают монтажные пазы, чашки, углубления и т.п.
Окариватель
Работа окаривателем
Рабочая часть устройств состоит из барабана или фрезы, закрепленных в подшипниковом узле. Как и большинство насадок для бензопил, дебаркеры приводятся во вращение с помощью клиноременной передачи. На их оси для этого имеется ведомый шкив. Подбирая диаметры шкивов и изменяя число оборотов двигателя с помощью акселератора, можно получать оптимальную скорость вращения рабочего инструмента, обеспечивающую необходимые параметры обработки.
На рисунке ниже изображены дебаркеры с различной формой рабочего инструмента: фреза для выборки пазов (а), рубанок плоский (б) и сферический (г), фреза фигурная (в).
Дебаркеры с различной формой рабочего инструмента
Насос
Насадка, предназначенная для перекачки воды, может быть использована для аварийного водоснабжения дома, полива огорода, осушения залитого подвала и котлована под фундамент и т.п. Она представляет собой обычный центробежный насос, оборудованный кронштейном с отверстиями для крепления к бензопиле и шкивом для приведения турбины насоса во вращение.
Насадка-насос для бензопилы
Насос из бензопилы
Принцип действия этой насадки на бензопилу аналогичен принципу действия всех центробежных насосов. К центральному штуцеру (1) подсоединяется шланг, опускаемый в воду. К штуцеру (3) присоединяется напорный рукав. Перед началом работы в пробку (2) заливается вода, необходимая для того, чтобы насос начал качать. При приведении турбины насоса во вращение, во всасывающем патрубке создается пониженное давление, засасывающее воду, которая выводится затем через напорный шланг.
Бур
Мотобур — устройство, полезное в любом хозяйстве, вот только используется оно относительно редко, что делает его покупку не всегда целесообразной. Приобретение бура-насадки для бензопилы обойдется дешевле, чем покупка мотобура.
Бур из бензопилы. Две разные насадки.
Скорость вращения шнека при бурении должна быть относительно небольшой, поэтому для снижения числа оборотов используется редуктор. Он может быть выполнен в виде клиноременной или червячной (предпочтительнее) передачи.
Насадка-бур
Характеристики насадки «лодочный мотор»

Насадка на бензопилу «лодочный мотор» может использоваться совместно с лодками разного назначения. Судна могут быть туристическими, транспортными или хозяйственными. Бензопилу совместно с этой насадкой вы сможете использовать для разных целей, а именно для:
- прогулок по водоему;
- охоты;
- рыбалки;
- перевозки людей и грузов.
Мощности основного инструмента хватит, чтобы развивать на воде скорость до 20 км/ч. Конечное значение будет зависеть от направления ветра, типа лодки, течения и нагруженности. В лодку могут сесть два человека и более. Судно с этой насадкой имеет превосходную маневренность.
Мотор бензопилы не замерзнет, так как имеет воздушное, а не жидкостное охлаждение. Расход топлива бензопилы будет зависеть от рабочего объема двигателя, технического состояния, длительности и полноты нагрузки. За час вы истратите максимум 1 л. Оптимальная мощность составляет 2 л. с. Передаточное отношение редуктора равно 2 к 1. Число лопастей винта равно 2. Вес насадки не превышает 8 кг. Диаметр винта составляет 150 мм.
Как сделать насадку-короед своими руками?
Насадку-короед для бензопилы можно изготовить в домашних условиях, используя для этого подручные средства. Все подготовленные металлические детали необходимо предварительно покрыть грунтовкой и несколькими слоями краски – это защитит приспособление от коррозии, которая может образоваться во время эксплуатации кородера при обработке мокрой древесины.
Порядок действий во время конструирования насадки должен быть таким:
Вначале изготовитель должен сделать гладкую цилиндрическую заготовку, используя для этого цельный кусок металла. Его внутреннее пространство должно быть заполнено тяжелым металлом, к примеру, чугуном – это обеспечит плотное прилегание рабочего органа насадки к обрабатываемой древесине. Для изготовления заготовки подойдет стальная труба, внутрь которой необходимо залить расплавленный чугун или свинец. После застывания металла внешние края цилиндра нужно тщательно зашлифовать;
Внутри цилиндра по вертикальной оси потребуется просверлить тонкое сквозное отверстие, в которое нужно установить крепкий стальной стержень
При этом важно помнить, что цилиндрическая заготовка должна свободно вращаться на штыре. К боковой части штыря потребуется прикрепить ведомый ролик – он необходим для дальнейшей установки приводного ремня, вторая часть которого должна быть соединена с ведущей звездочкой муфты сцепления бензиновой пилы;
В задней части кородера нужно установить защитный кожух
Его можно сделать из тонкой стальной пластины или стеклоткани, пропитанной смолой и эпоксидным клеем. Кожух должен быть установлен на отдельной пластине, вторую часть которой потребуется приварить к корпусу самодельного короеда;
Все сделанные своими руками элементы кородера потребуется прикрепить к заранее подготовленной стальной штанге. Заднюю ее часть необходимо обработать так, чтобы ее можно было беспрепятственно установить вместо режущей гарнитуры хозяйственной бензопилы.
Чтобы протестировать самодельный кородер, нужно установить его на бензопилу и проверить в режиме холостых оборотов. При этом правильно подключенный короед должен вращаться на небольшой скорости, которая должна увеличиваться одновременно с нажатием оператора на акселератор бензоинструмента.
Насос — откачиваем воду из подвала или погреба
Если затопило погреб или подвал, то для выкачивания воды не нужно приобретать специальные насосы, ведь для этого есть насадка помпа на бензопилу. Это простое устройство, которое устанавливается на инструмент достаточно быстро. После того, как приставка будет подсоединена, останется только к ней подключить две шланги — подающую и для отвода воды.

Производительность помпы зависит от размеров крыльчатки, поэтому если планируется выполнять большие объемы работ, то нужно покупать соответствующую насадку. Главным достоинством приставки является ее мобильность, так как, подключив ее к агрегату, можно проводить работы вдали от электричества. При наличии навыков работы со сварочными аппаратами, помпу под бензопилу можно соорудить своими руками, но цена на нее не такая большая, чтобы отказаться от покупки.
Это интересно! Конструкция помпы заводского производства сделана из пластика, что положительно влияет на ее цену.
Насадка На Бензопилу Для Резки Металла
Насадки для бензопил (подвесное оборудование): мотобур, компрессор, кородёр
Современные бензопилы могут не только лишь пилить древесную породу. Это универсальное устройство, которое можно приспособить под выполнение самых широких задач. При желании обычная бензопила может использоваться в качестве насоса, мотобура, лодочного либо велосипедного мотора.
По широте способностей сейчас ни один инструмент не может конкурировать с ними. При наличии дополнительного оборудования пила может качать воду из скважин либо колодцев, резать камень, металл, растягивать застрявшие в снегу либо грязищи авто. Все это становится вероятным благодаря подвесному оборудованию. Приспособления для бензопилы способны существенно расширить функционал этого инструмента.
Несколько слов о возможностях современных устройств
В этих инструментах употребляется довольно мощнейший, но при всем этом компактный двигатель внутреннего сгорания.

Совместно с силовым агрегатом работает очень герметичная топливная система и мембранный карбюратор. Все это позволяет устройству делать самый широкий диапазон задач.
На выходном валу мотора можно закрепить разные насадки для бензопил, дозволяющие делать все что угодно. Очередной плюс таких бензиновых инструментов – завышенная мобильность. Работы могут производиться где угодно.
Бензопила имеет очень удачную конструкцию. А поломки этой системы – очень редчайший случай.
Типы насадок
Если у вас есть бензопила, но вы не понимаете, как ее использовать, а все дрова уже порезаны, тогда данная информация поможет для вас использовать бензиновый инструмент в полном объеме.
Насадки для бензопил позволяют решать фактически любые задачки. Насадка на бензопилу для насадка для снятия ее еще называют насадкой резки металла. Купить алмазная канатная пила для резки камня оптом из китая. Товары напрямую с завода-производителя на alibaba.com. Видов тут сильно много.
Так, существует приспособление, которое позволяет делать распиловку древесной породы в горизонтальной плоскости. С ее помощью можно порезать бревно на равные части. Цанги, цанга, насадка для гравера, на гравер, дремель. Инструменты » электроинструмент. При всем этом рамная конструкция этого приспособления сумеет обеспечить нужную твердость.
Еще одна насадка позволяет пилить бревна в вертикальной плоскости.
Невзирая на простоту, точность распила с этим аксессуаром очень высочайшая.
При помощи бензореза очень комфортно резать и пилить самые различные металлы и камень – это та же болгарка, но мобильная.
Дебаркеры для бензопилы дают возможность очищать бревна от коры или разных наростов. Также приспособление используют для вырезания чашек, разных пазов и ложбинок. Различают два типа данной насадки. Так, есть барабанные дебаркеры и дисковые.
Бензопилы отечественных разработок
Старые бензопилы советского производства хорошо зарекомендовали себя при изготовлении мотобуров. Они имеют несомненные достоинства – приличную мощность и низкие обороты. Кроме того, они редко используются по своему прямому назначению, поэтому их возможно наглухо зафиксировать на раме.
Зная размеры двигателя, под него нетрудно изготовить раму. Ручка подачи топлива выводится на верхнюю часть конструкции. Она должна быть постоянно под рукой, впрочем, как и механизм аварийного отключения. Следует учесть, что в случае использования «Урала» его конструкция элементов потребует самый минимум доработок.
Правда, здесь есть и минус – движок достаточно высокий, поэтому если рыболов имеет небольшой рост, ему будет затруднительно заниматься бурением. Теперь что касается передачи крутящего момента на редуктор. Некоторые кулибины предлагают воспользоваться цепной передачей, однако вряд ли это хороший вариант. В данном случае лучше применить специально выточенный вал.
Лебедка
Это еще одно полезное приспособление, которое расширит стандартные функциональные особенности бензопилы. Усилие тяги напрямую зависит от характеристик самой пилы. Максимальное усилие может доходить до двух тонн. Усилие тяги составляет около полутора тысяч килограмм. Длина комплектного троса составляет 30 метров. Размеры устройства небольшие. Рекомендуется устанавливать данную насадку на бензопилу “Штиль” или подобные по техническим характеристикам. Недорогая китайская техника не выдает необходимой мощности.
С помощью такой лебедки можно вытащить застрявший в грязи автомобиль, поднять машину на эвакуатор, поднять лодку на прицеп автомобиля. Используя лебедку, можно перемещать поваленные деревья и перемещать грузы в пространстве.

Почему стоит выбрать бензопилу
Еще одним преимуществом этого инструмента выступает возможность использования агрегата в любом месте, ведь он работает в автономном режиме. Конструкция имеет удачное исполнение, а ее поломки почти исключаются. Если же у вас есть бензопила, но она простаивает без дела, вы можете ознакомиться со способами ее эксплуатации, используя специальные насадки. Бензопила таким образом становится инструментом с поистине феноменальными возможностями. Посредством приспособлений вы можете бурить грунт, вырабатывать электроэнергию, плавать, обрабатывать почву, ездить и даже летать.
Лодочный мотор
Как ни странно, бензопилу можно использовать для лодок, заменяя мотор. Специальная насадка позволит привести в движение небольшую резиновую лодку.
Вот основные характеристики такой насадки:
- Передаточное число редуктора 1:2.
- В стоячей воде возможно развить скорость до 20 км/ч.
- Расход топлива до 2 литров в час.
- Вес насадки до 10 кг.
- Используется трехлопостной винт, диаметр обычно не превышает 150 мм.
Подобные насадки пользуются большой популярностью у рыбаков, у которых есть бензопила. В этом случае достаточно приобрести насадку, а не тратиться на дорогостоящий мотор. Однако нельзя получить от такого заменителя высокую скорость, придется довольствоваться тем, что есть. Если же моторная лодка используется для патрулирования акватории или для других целей, где важна скорость, то придется покупать двигатель.
Мнение эксперта
Куликов Владимир Сергеевич
Большинство компаний вместе с насадкой продают все требуемые крепежи.
Советы и рекомендации
Следует внимательно следовать инструкции, если у вас насадка не самодельная, а покупная. Но для использования переделок тоже существуют определенные правила безопасности при использовании. Ниже приведены основные рекомендации по использованию болгарки:
- Обязательно должна присутствовать защита глаз и рук.
- Не следует устанавливать отрезной диск большого диаметра на маломощную пилу. Это может привести к преждевременному выходу из строя двигателя.
- Нельзя использовать болгарку без защитного кожуха.
- Обязательно провести контроль натянутости шкива.
Для изготовления переделки из бензопилы желательно использовать материалы только хорошего качества. Не исключайте применение защитного кожуха. Он может послужить гарантией безопасности. Шлифовальные круги желательно использовать с диаметром 115 мм. Их достоинство в том, что они выдерживают высокую скорость вращения, в отличие от кругов с большим размером.
























































