Переделка зарядного устройства шуруповерта hitachi

Оживляем никель-кадмиевую АКБ

Шуруповерты, оснащенные никель-кадмиевыми аккумуляторами, практически ушли в прошлое. Но они еще продаются, встречаются и даже работают, поскольку Ni-Cd-элементы могут «жить» до 20-25 лет, хотя и выдерживают порядка 900 циклов «заряд/разряд». Еще одна особенность никель-кадмиевых аккумуляторов – они могут храниться в разряженном состоянии. Так что если вы нашли на чердаке дедушкин шуруповерт с Ni-Cd-батареей, то есть смысл попытаться его оживить.

Попытаемся зарядить батарею. Подойдет любое ЗУ, способное обеспечить нужное напряжение и ток, равный половине емкости батареи.

Включаем, пытаемся заряжать. Если АКБ берет зарядку, то продолжаем. Если нет и на ней полый ноль, переходим к плану «Ж» и «П» (см. ниже).

Как только напряжение на батарее достигнет значения 1.37 В, помноженного на количество аккумуляторов, процесс останавливаем. Но это не все. Не факт, что АКБ заряжена полностью. Никель-кадмиевые аккумуляторы страдают так называемым эффектом памяти. Если их постоянно разряжали, скажем, до 60%, а потом ставили на зарядку, то они к этому привыкнут и далее будут отказываться работать при разрядке на все те же 60%. Поэтому разряжаем нашу батарею примерно таким же током, каким и заряжали. Разряжаем до значения 1 В, помноженного на количество аккумуляторов. В качестве нагрузки можно использовать автомобильные лампы или сам шуруповерт.

После этого снова полностью заряжаем. Повторяем операцию «заряд/разряд» 3-4 раза. Полностью заряжаем и пробуем пользоваться шуруповертом. Если даже после всех этих манипуляций емкость АКБ существенно ниже заявленной, то, к сожалению, у нас на руках дряхлый, отживший свое старик. Реанимации он не подлежит.

План «Ж», толкательный

План «Ж» заключается в «толкании» аккумулятора короткими (0.2-0.3 сек) импульсами высокого тока. Причем ток должен быть намного (в десятки раз) больше ёмкости аккумулятора. «Толкать» лучше каждый аккумулятор отдельно. Поэтому вскрываем батарею, выясняем, где у каждого аккумулятора плюс и минус. В качестве толкателя будем использовать автомобильный аккумулятор, но подойдет и любой другой мощный источник напряжением 10-15 В.

Подключаем минус нашего элемента к минусу «толкателя», подключаем один конец провода к плюсу «толкателя», а вторым концом кратковременно касаемся плюсового вывода Ni-Cd-элемента. Частота касаний — 2-3 в секунду. В результате такого прожига устраняются дендриты, вызывавшие микрозамыкания, и батарейка оживает.

Операцию проводим в течение 5-6 секунд. Ставим на зарядку. Если процесс пошел, устраняем эффект памяти (см. выше). Пробуем пользоваться.

План «П», доливочный

Этот план эффективен при деградации электролита, ведь в ходе эксплуатации идет процесс окисления с расходом воды. А план таков:

  1. Микродрелью делаем в корпусе отверстие.
  2. В отверстие шприцем заливаем 1 кубик дистиллированной воды.
  3. Ждем час, затем «толкаем» элемент импульсами высокого тока.
  4. Ставим на зарядку. Ждем сутки, измеряем напряжение.
  5. Если напряжение в норме, герметизируем отверстие герметиком или пайкой.
  6. Если упало или элемент не захотел брать зарядку, переходим к пункту 2 и делаем так до тех пор, пока уже некуда будет лить воду.

Если не помогло, то можно почитать статьи “Как переделать аккумуляторный шуруповерт на 12 или 18 В в сетевой своими руками” и “Как сделать блок питания для шуруповерта“. Все же лучше, чем снова забрасывать рабочий инструмент на чердак.

Мы выяснили, как зарядить аккумулятор шуруповерта без родной “зарядки”. Теперь, даже если “зарядник” вашего шуруповерта сгорел, утонул, потерян или украден, вы найдете выход из положения.

Спасибо, помогло!9Не помогло1

Сейчас читают:

Можно ли зарядить смартфон без зарядного устройства или без шнура

Как зарядить ноутбук без зарядного устройства в домашних условиях

Как и чем можно зарядить аккумулятор автомобиля если нет зарядника

Как переделать шуруповерт на литий ионные аккумуляторы

Как правильно заряжать гелевые аккумуляторы на 12 вольт

Инструкция по изготовлению

Переделку надо начать с определения полярности подключения источника питания к двигателю электроинструмента. В большинстве случаев на контактах шуруповерта полюсность не указывается.

Втычные контакты на корпусе электроинструмента.

В этом случае надо посмотреть на аккумулятор – на нем должны быть обозначены плюс и минус.

Обозначение полярности на корпусе аккумулятора.

Определив полярность, надо пометить полюса на контактах электроинструмента (хотя большой беды в случае переполюсовки не будет – вал просто будет вращаться в противоположном направлении, что легко устраняется переключателем реверса).

Маркировка полярности на корпусе шуруповерта.

Далее надо припаять к пластинам провода достаточного сечения (по принципу «чем толще, тем лучше», но соблюдая границы разумности и удобства).

Подпайка проводов к контактам электроинструмента.

На другом конце проводов неплохо предусмотреть разъем для подключения, рассчитанный на максимальный ток. Тогда шуруповерт можно будет хранить отдельно или использовать различные источники напряжения. Но можно выполнить электроинструмент, провод и БП в виде единой системы. Так тоже удобно – нет риска забыть или потерять источник питания, если он небольших размеров.

Сетевой шуруповерт в виде единой системы с источником питания.

Дальше надо решить еще одну проблему. При переделке электроинструмента для питания от бытовой сети аккумулятор должен быть исключен из работы. Но шуруповерт сбалансирован так, что им удобно работать, если батарея установлена. Если ее убрать, то центр тяжести сместится, держать инструмент станет неудобно и рука будет быстро уставать. Поэтому, если есть возможность, надо срезать часть корпуса АКБ так, чтобы исключить электрический контакт батарей с клеммами шуруповерта. Сделать это можно «болгаркой» или просто ножовкой.

Удаление части корпуса АКБ с контактными площадками.

Если конструкция АКБ такова, что удалить контактную часть затруднительно, надо разобрать корпус батареи, удалить аккумуляторы и на их месте надежно закрепить подходящий по весу и размерам груз.

Рекомендуем к просмотру видео-трилогию переделки 18 вольтового шуруповерта в сетевой.

Инструкция по настройке ЗУ

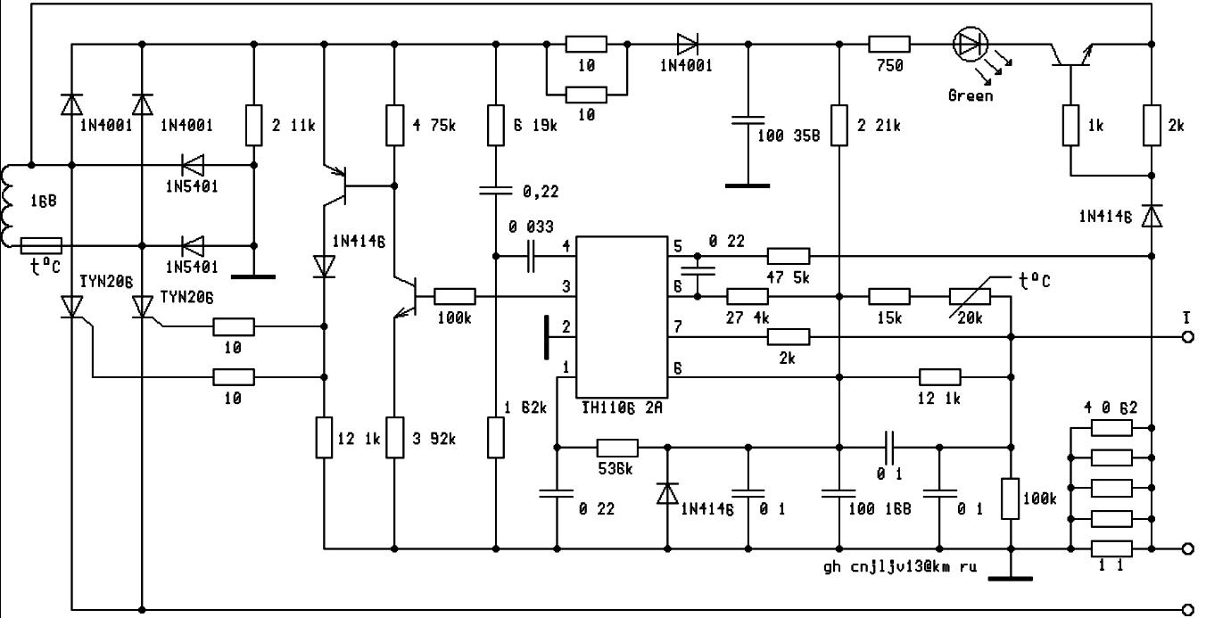
  1. Подключаем к БП, у которого напряжение минимум на 1 В выше чем может дать сборка из аккумуляторов. Например, для сборки из 6хLi-Ion надо БП с выходом 26,2В. Выходной ток БП зависит от тока зарядки АКБ. 
  2. На ХХ настраиваем нужное выходное напряжение, соответствующее максимальному напряжению АКБ в заряженном состоянии. В моем случае – 25,2 В. 
  3. Подключаем АКБ к ЗУ, в разрыв между ними измеритель тока – устанавливаем нужный ток заряда. Я установил 1 А для АКБ с емкостью 2800 мА/ч. 
  4. При снижении зарядного тока до 0,1 х Ток заряда крутим средний многооборотник до зажигания синего светодиода – “зарядка окончена”.

Все соответствует корявому описанию)). Работает отлично. Буду использовать для зарядки переделанного шуруповерта. До Самары дошло за 25 дней. Для тех кто не может разобраться в работе светодиодов нашел отличное описание:

Верхний горит пока преобразователь способен отдавать в нагрузку установленный ток (в случае использования как зарядного получается это индикатор фазы СС, как только он погаснет – пошла фаза CV) средний светодиод горит пока ток в нагрузке не опустится до 0.1 установленного, погас – заряд окончен.

Значение 0.1 установлено по умолчанию, при желании корректируется как большую (заряд быстрее, емкость меньше) так и в меньшую сторону (время заряда увеличивается, аккумулятор заряжается полнее) средним потенциометром. Но заряд продолжается и после его выключения, это лишь индикатор, что аккумулятор в принципе заряжен и готов к использованию. Нижний светодиод – просто индикатор работы преобразователя.

charge – этот индикатор горит, пока ток в выходной цепи выше заданного значения. Это значение устанавливается относительно максимального тока. При установке большого максимального тока (единицы ампер) может не получиться установить индикацию на маленький ток (единицы и десятки миллиампер).

Переделка шуруповерта на литиевые аккумуляторы 18650 14 В

При переделке шуруповертов разной мощности и фонариков с Ni-Cd на Li-ion, чаще используют аккумуляторы форм фактор 18650. Они легко встают в контейнер или гнездо, так как вместо двух-трех родных устанавливают один литиевый. Переделка АКБ шуруповерта должна вестись с учетом особенностей литиевых аккумуляторов на 18650.

Этот вид источников энергии не переносит глубокий разряд и излишний заряд. Значит, необходимо использовать платы управления величиной напряжения. Так как каждая батарея имеет свой характер, их заряд корректируется балансиром. Смысл переделки шуруповерта с напряжением на 14,4 В заключен в создании прибора с использованием литиевых аккумуляторов для облегчения ручного инструмента и повышения его работоспособности. Больше всего для этих целей подходят литиевые аккумуляторы 18650.

При подборе комплектующих, следует учесть, пусковой ток шуруповерта высок, необходимо выбрать соответствующий BMS на нужное количество банок и не менее чем на 30 А. Для переделки зарядки шуруповерта на литиевый аккумулятор необходимо запастись хорошим паяльником, не кислотным флюсом и толстыми проводами для выполнения перемычек.

  • Литий-ионные банки в количестве 4 шт.
  • Контроллер li-ion аккумулятора на 4 банки, хорошо подходит CF-4S30A-A. В нее встроен балансир, контролирующий заряд каждого элемента.
  • Термоклей, флюс для паяния ТАГС, припой.
  • Термостойкий скотч;
  • Соединительные перемычки или толстый провод в изоляции сечением не менее 0,75 квадрата, порезанный для мостиков.

Порядок работы по переделке шуруповерта под 18650:

  • Разобрать корпус и извлечь из контейнера связку из 12 Ni-Cd элементов.
  • Убрать гирлянду, оставив разъем с выводами «+» и «-» . Вместо термодатчика установится термопара от контроллера.
  • Спаять сборку, учитывая, что нельзя использовать кислоту, только нейтральный флюс и чистый припой. В период соединения нельзя разогревать крышки. Работать точечно.
  • Подключить балансировочные точки к контроллеру, согласно схеме. На плате разъемы предусмотрены.
  • Соединить сборку с выводами плюса и минуса.
  • Проверить работоспособность схемы. Если все работает, собранную АКБ, контроллер разместить в гнезде, закрепить с помощью герметика.

Если ЗУ не универсальное, потребуется дополнительная переделка. Шуруповерты на 12 V с универсальным зарядным устройством собирают так же, но используется защитная схема подключения 3х18650 3,7 В на литиевые аккумуляторы. Точно так же переделывается отвертка с использованием комплекта АКБ 18650 в количестве 2 элементов.

Зарядка шуруповёрта без зарядного

Восстановить батарею без помощи ЗУ несложно, но многие не представляют, как. Зарядить аккумулятор шуруповёрта без зарядного устройства можно, используя любой блок питания с постоянным напряжением. Величина его должна быть равной или немного больше значения напряжения заряжаемого аккумулятора. Например, для 12V батареи можно взять выпрямитель для зарядки автомобиля. С помощью клеммных зажимов и проводов подключить, соблюдая полярность, их друг к другу минут на тридцать, при этом контролируя температуру батареи.

А можно провести доработку и устройства питания с большим напряжением, воспользовавшись простым интегральным стабилизатором. Микросхема LM317 позволяет управлять входным сигналом до 40 вольт. Понадобится два стабилизатора: один включается по схеме стабилизации напряжения, а второй — тока. Такую схему можно применить и при переделке ЗУ, не имеющего узлов контроля процесса зарядки.

Работает схема совсем несложно. Во время работы образуется падение напряжения на резисторе R1, его хватает для того, чтобы засветился светодиод. По мере заряда ток в цепи падает. Через некоторое время напряжение на стабилизаторе будет малым и светодиод погаснет. Резистор Rx задаёт наибольший ток. Его мощность выбирается не менее 0,25 ватт. При использовании такой схемы аккумулятор не сможет перегреваться, поскольку устройство автоматически отключается при полном заряде батареи.

https://youtube.com/watch?v=PFKHKkEnTFM

Originally posted 2018-04-06 09:06:40.

Переделка аккумулятора шуруповёрта на литиевые элементы

Выскажусь, хе-хе, раз пошла такая пьянка… У меня это второй шурик, мощностью 18 В. Я не технарь, не имею дач, гаражей, предприятий, халтур. Просто — такой вот по жизни — не люблю побираться- одолжаться, — включая спички, соль, сигарету, тем паче, киянок, тиски, тисочки, степлер-скобозабиватель, тусло, молоток, рубанок, шерхебель, ножовку, стамеску, стеклорез, угольник, уровень, кисти малярные, шпателя, лобзик, дрель, болгарка-штроборез, естественно, шурик и проч., проч. Отдельными ручными и электроинструментами я пользовался один-два раза, покупал под некую конкретную работу, — например, сам делал откосы из ламината для входной двери. В шурике аккумуляторы никель-кадмиевые стоят, третий год заканчивается, — регулярно их прокачиваю (разряд-заряд-разряд-заряд). Иногда для испытания мощи вкручиваю пару-тройку 100 мм в дубовый брусак, — со скрипом, на сухую. Мощи хватает с избытком. Очень доволен. В большой работе новый шурик был четырежды — балкон переделывал (демонтировал пластик обивал вагонкой), подвал облагораживал и под.. Думаю, аккумуляторы прослужат ещё года три-четыре. Я за ними смотрю, главное, я знаю, что они мне достались ЗАВЕДОМО новыми, при покупке, точнее (целая история), при вручении мне торговым представителем завода. Убеждён, 50-70% проблем-бед пользователей никель-кадмиевых АКБ, — им втюхивают крепко залежалый товар, такой, который, по сути, надо было еще год-два назад списывать или уценять на 50-80%. По причине полусдохлых, а то и дохлых банок АКБ (одной — точняк). Мне также впарили шурик залежалый, а состояние банок как определишь — никто ж тебе не даст вкрывать АКБ. Хорошо, что шурик дал закончить ремонт на кухне, собрать новую мебель, даже откосы установить. И сдохли оба АКБ сразу же. Расколупал — по две-три — прям подтекающих банки. Ну и что прикажете делать?Год гарантии прошел две недели тому назад. Хорошо, думаю, что всё первостепенное переделал, где по мелочи — можно и отвертками покурутить. Через год наметилась еще работа для шурика. Стал подумывать о покупке шурика электрического… И вдруг вспыхнула злость на интернет-продавца сдохшего шурика (не нашёл и следов — поменяли дислокацию, название?). Стал искать производителя адрес. И таки как-то разыскал, написал претензию… В духе, что ваш шурик отличный, не хуже макит и хилти, но вот АКБ ставите какие-то полудохлые… А производитель аккурат в год моего обращения запустил новую модель шуриков — раскрас стал ярче, красивее, и всё стало поизящнее. Ну и приезжает ко мне представитель завода и забирает у меня старый шурик, а выдаёт свежак. Чемодан на чемодан поменяли. Мне лучшего и не надо. Если никель-кадмиевые АКБ отживут, вставлю литиевые, сам или через мастерскую (стар я уже) и куплю новую литиевую зарядку. Подарю шурик зятю. Пусть приобщается… Вот новые АКБ три года уже, а мощные — как тигры. Я их берегу. Посмотрю, сколько нормальные АКБ способны прожить при самой страшной для них полубезработице. Большинство потребителей шуриков берут их для некой разовой, а потом периодической службы. Для никель-кадмия это жуткая жизнь. Им надо полная разрядка и полная зарядка, хотя бы 1-2 раза в месяц. Хранить желательно в сухом и прохладном (холодном) помещении. Шурик — отдельно от АКБ.

Схемы моделей на 18 В

На 18 В схема зарядного устройства для шуруповерта подразумевает внедрение транзисторов только переходного типа. Конденсаторов на микросхеме имеется три. Конкретно тетрод устанавливается с диодным мостом. Для стабилизации предельной частоты в устройстве применяется сеточный триггер. Если вести разговор про характеристики зарядки на 18 В, то следует упомянут что, что проводимость тока колеблется в районе 5.4 мк.

Если рассматривать зарядки для шуруповертов компании Бош, то данный показатель вам больше понравятся выше. Иной раз для улучшения проводимости сигнала используются хроматические резисторы. В этом случае емкость конденсаторов не должна превосходить 15 пФ. Если рассматривать зарядные устройства марки Интерскол, то там трансиверы употребляются с завышенной проводимостью. Здесь параметр наибольшей токовой нагрузки может доходить до 6 А. В завершение следует упомянуть об устройствах компании Макита. Некоторые из аккумуляторных моделей оснащаются высококачественными дипольными транзисторами. С завышенным отрицательным сопротивлением они управляются отлично. Но трудности иной раз появляются с магнитными колебаниями.

Какие меры следует соблюдать, чтоб не разрушить литиевый аккумулятор?

По причине ограничений технологии показатель заряженности литиевых аккумов не ожидается выше 4,25-4,35 В. Разряд не должен доходить до показателя 3.2,5-2,7. Это условие указывается в техническом паспорте для каждой определенной модели. При завышении этих значений возможно вывести устройство из строя. Используются особые контроллеры зарядки и разрядки, которые сохраняют напряжение на литиевой ячейке в рамках нормы. Переделка шуруповерта на литиевый аккумулятор с контроллером защитит устройство от сбоя при работе.
Показатель напряжения литиевых аккумов кратен 3,7 В (3,6 В). У Ni-Mh-моделей Такой показатель составляет 1,5 В. Это явление объяснимо. Номинальное напряжение в литиевых устройствах сохраняется на отдельной ячейке. Литиевый аккумулятор 12 вольт никогда собран не будет. Номинал составит 11,1 В (три поочередные ячейки) либо 14,8 В (четыре поочередные ячейки). В дополнение, показатель напряжения литиевой ячейки изменяется во время работы при рабочей зарядке на 4,25 В, а при рабочей разрядке. на 2.7,5 В. Показатель напряжения 3S (3 serial. три поочередных соединения) будет изменяться при функционировании приспособления от 12,6 В (4,2х3) до 7,5 В (4.5,5х3). Для 4S-конфигурации Этот расхожий слух показатель колеблется от 16,8 до 10 В.
Переделка шуруповерта на литиевые батареи 18650 (большинство изделий обладает конкретно этим размером) просит учета различия в габаритах с Ni-Mh-ячейками. Поперечник ячейки 18 650 равен 18 мм, а высота составляет 65 мм

Важное условие подсчитать, какое количество ячеек поместится в корпусе. При всем этом следует держать в голове, что для модели с мощностью 11,1 В для вас надо количество ячеек, кратное трем

Для модели с мощностью 14,8 В — четырем. Еще должен поместиться контроллер и коммутационные провода.
Устройство для зарядки для аккума основываясь на лития отличается от приспособления для Ni-Mh-модификаций.

По тексту статьи будет рассмотрено, как происходит переделка шуруповерта на литиевые батареи Li-Po. Инструмент укомплектован парой Ni-Mh-аккумуляторных батарей с показателем напряжения 12 В и емкостью 2.7,6 Ач. Будет рассмотрена переделка шуруповерта Hitachi. Литиевые батареи обеспечат устройству долговременную службу.

Принцип работы ЗУ

Инструментально это осуществляется при помощи перекидных контактов, приводящихся в действие рычажком реверса.
Хотя этот ток напрямую связан с максимальным рабочим, потому обычно здесь проблем нет.
Кроме того, иногда выводят разъем для балансировки аккумуляторов шуруповерта. В большинстве случаев ремонт трещотки шуруповерта заключается в очистке ее составляющих от загрязнений и в нанесении новой смазки.
Сверление отверстий для литий-полимерного аккумулятора — тоже не проблема. Теперь аккуратненько, вынимаем механизм включения из корпуса, придерживая возвратную пружину.
А чтобы пользоваться шуруповертом, пока аккумулятор будет заряжаться, можно сделать сетевой адаптер. После последней разрядки аккумулятора его отключают от зарядного устройства и хранят без подключения к шуруповерту.

Как сделать что-то самому, своими руками — сайт домашнего мастера

Время работы микросхемы U1 настроено на один час работы, после чего питание снимается с транзистора Q1 и, соответственно, с реле. После такого ремонта кнопка послужит еще какое то время, но все равно придется приобрести новую! Увеличивая величину затяжки, тем самым вы глубже ввинчиваете саморез. Для этого полная разборка шуруповерта не потребуется.

Во время тренировки заряжать аккумулятор следует около 10 часов, чтобы снабдить его максимально возможной энергией. Надеемся, статья была вам полезной. Разборка блока, например, для ремонта аккумулятора шуруповерта Hitachi изображен ниже , очень проста — откручиваем шурупы по периметру и разъединяем корпус. Пониженное переменное напряжение 18V со вторичной обмотки трансформатора поступает на диодный мост через плавкий предохранитель FU1.

Ёмкость штатного аккумулятора — 1 А-ч. Шуруповёрт комплектуется двухсторон- ней битой фото 3.
Собираем 12V аккумулятор шуруповерта на 5 Ah.

Стандартные и индивидуальные характеристики зарядного устройства

  1. Зарядные устройства марки «Интерскол» используют трансиверы с повышенной проводимостью. Их максимальная токовая нагрузка доходит до 6 А, а в новых моделях и выше. В стандартном зарядном устройстве шуруповёрта «Интерскол» используется двухканальная микросхема, конденсаторы на 3 пФ, импульсные транзисторы и тетроды открытого типа. Проводимость тока достигает 6 мкА, при средней энергоёмкости аккумулятора 12 мАч.
  2. Довольно часто российский использует схему зарядки аккумулятора с транзисторами типа IRLML 2230. В этом случае в зарядных устройствах на 18 В применяют микросхему трёхканального типа и конденсаторы с ёмкостью 2 пФ, которые хорошо переносят сетевые нагрузки. Показатель проводимости при этом достигает 4 мкА. При выборе шуруповёрта нужно учитывать его мощность, которая влияет на его срок эксплуатации. Чем выше показатель мощности, тем дольше проработает инструмент.

Читать также: Трубы стальные нержавеющие гост 9941 81

Виды зарядных устройств

Популярность шуруповёрта вызвана тем, что он упрощает процесс закручивания или выкручивания различного крепёжного элемента. Характеризуясь мобильностью и небольшими размерами, он незаменим при сборке мебельных конструкций, разборке техники, кровельных и других строительных работах. Своей мобильностью инструмент обязан входящим в его конструкцию аккумуляторным батареям.

Зарядка аккумулятора шуруповёрта происходит двумя способами: встроенным или внешним зарядным прибором. Встроенное ЗУ позволяет заряжать батарею, не извлекая её из шуруповёрта. Схема восстановления ёмкости расположена непосредственно вместе с аккумулятором. В то время как выносное подразумевает их извлечение и установку в отдельное приспособление для заряда. Различают ЗУ по типу восстанавливаемых батарей. Применяемые аккумуляторы бывают:

  • никель-кадмиевые (NiCd);
  • никель-металл-гидридные (NiMH);
  • литий-ионные (LiIon).

Конечная стоимость шуруповёрта не в последнюю очередь зависит от типа используемых батарей и возможностей зарядного устройства. ЗУ выпускаются на 12 вольт, 14,4 вольта и 18 вольт. Кроме этого, ЗУ разделяются по возможностям и могут иметь:

  • индикацию;
  • быструю зарядку;
  • разный тип защиты.

Наиболее используемые ЗУ используют в работе медленный заряд, обусловленный малым током. Они не содержат в своей конструкции индикацию работы и не отключаются автоматически. Это более справедливо к встроенным приборам восстановления ёмкости. ЗУ, построенные на импульсных схемах, обеспечивают возможность ускоренного заряда. Они автоматически отключаются по достижению требуемой величины напряжения или в случае возникновения аварийной ситуации.

Типы применяемых батарей

Никель-кадмиевые аккумуляторы не испытывают проблем при заряде в ускоренном режиме. Такие батарейки обладают высокой нагрузочной способностью, невысокой ценой и спокойно переносят работы при минусовой температуре. К недостаткам относят: эффект памяти, токсичность, большую скорость саморазряда. Поэтому перед тем, как заряжать такого типа аккумулятор, его необходимо полностью разрядить. Батарея имеет высокую степень саморазряда и быстро разряжается, даже если её не используют. В настоящее время практически не выпускаются из-за своей токсичности. Из всех типов обладают наименьшей ёмкостью.

Никель-металл-гидридные по всем параметрам превосходят NiCd. У них меньше величина саморазряда, меньше выражен эффект памяти. При одинаковых размерах они имеют большую ёмкость. В их составе нет токсичного материала, кадмия. В ценовой категории этот тип занимает среднее положение, поэтому наиболее распространённый тип ёмкостных элементов в шуруповёрте именно он.

Кроме этого, основной характеристикой аккумуляторных батарей, является их ёмкость. Чем выше этот показатель — тем дольше работает шуруповёрт. Единица измерения ёмкости — миллиампер в час (мА/ч). Конструкция батареи заключается в последовательном соединении элементов питания и помещение их в общий корпус. Для Li-Ion напряжение на одном элементе составляет 3,3 вольта, для NiCd и NiMH — 1,2 вольта.

Выбор типа химии литиевых аккумуляторов

В первую очередь нужно определиться с выбором типа химии литиевых аккумуляторов. Здесь два варианта – либо литий железо фосфатные (LiFePO4), либо литий ионные (Li Ion). Но в любом случае при работе на такую мощную нагрузку нужно учитывать что аккумулятор должен быть способен отдавать необходимый ток без вреда для своего самочувствия! Разберем кратко особенности этих типов аккумуляторов.

Рабочая температура

Если предполагается пользоваться шуруповертом при минусовых температурах, то лучше выбрать литий железо фосфатные (LiFePO4) аккумуляторы. Диапазон температур при котором можно их разряжать -20 ~ 65 °С. У Li Ion емкость на морозе падает быстрее. Если работа в основном планируется при плюсовых температурах, то подойдут и те и другие. Но оба типа аккумуляторов (за исключением некоторых моделей LiFePO4) нельзя заряжать при отрицательной температуре. А верхний предел температуры при заряде у тех и других около 60°С.

Долговечность

Количество полных циклов заряд/разряд у LiFePO4 аккумуляторов более 1000, у Li Ion менее 500. Но! Если не до 0% разряжать и не до 100% заряжать, то количество циклов существенно возрастает. Хранение любые литиевые аккумуляторы лучше всего переносят наполовину заряженные при температуре 0 +10°C. Подробнее о хранении можно почитать в

Рабочее напряжение

Одна ячейка Li Ion аккумулятора при 100% заряде имеет напряжение 4,2 В, при полном разряде около 3 – 2,5 В. Среднее рабочее напряжение 3,7 В.

Одна ячейка LiFePO4 аккумулятора при 100% заряде имеет напряжение 3,6 В, при полном разряде около 2 В. Среднее рабочее напряжение 3,2 В.

Исходя из этого считаем количество последовательно соединенных ячеек для получения необходимого напряжения на выходе АКБ. Это принято обозначать числом последовательных ячеек + символ S (serial – последовательный). Напряжение при таком соединении суммируется.

последовательное соединение ячеек 3s 1p

Li Ion: 1S-4,2 В, 2S-8,4 В, 3S-12,6 В, 4S-16,8 В, 5S-21 В…

LiFePO4: 1S-3,6 В, 2S-7,2 В, 3S-10,8 В, 4S-14,4 В, 5S-18 В…

То есть к примеру, для 12 вольтового шуруповерта нужна АКБ Li Ion 3S, либо LiFePO4 4S.

Рабочий ток

В характеристиках аккумулятора обычно указывают номинальный и максимальный (пиковый) ток разряда. При номинальном токе он способен работать продолжительное время, а при пиковом – несколько секунд

Поэтому для такой мощной нагрузки как шуруповерт необходимо обращать внимание на этот показатель и выбирать высокотоковые модели аккумуляторов

На холостом ходу 12 вольтовый шуруповерт средней мощности потребляет ток 1-2 А, а при максимальной нагрузке (особенно в заторможенном состоянии) ток может достигать 30 А. Поэтому, если предполагается использовать например, аккумулятор GTF HG2 18650 3000 мАч с номинальным и пиковым токами соответственно 10А и 25А, то необходимо делать сборку минимум 3S2P, чтобы не перегружать аккумуляторы. При параллельном соединении двух аккумуляторов допустимые токи удваиваются, при соединении трех – утраиваются и т.д.

последовательно – параллельное соединение ячеек 3s 2p

Недостатки шуруповерта

Основным недостатком представленного инструмента многие пользователи называют непродолжительный срок эксплуатации аккумулятора. Встречаются нарекания, что уже через несколько месяцев применения в домашних условиях эта деталь не в состоянии обеспечить нормальное функционирование шуруповерта.

Такая тенденция имела место в предыдущие годы, что было связано с большими объемами выпуска представленной модели . Шуруповерт DS12DVF3 находился длительное время на складах, что приводило к износу батареи еще до процесса эксплуатации.

На сегодняшний день производитель устранил этот недостаток

Также при покупке представленной техники следует обращать внимание на дату производства аккумулятора. Имея новую батарею, шуруповерт способен проработать достаточно долго даже при частых нагрузках в работе профессионалов

Поделитесь в социальных сетях:FacebookXВКонтакте
Напишите комментарий